当前位置 : 日韩不卡免费视频全无油螺杆空压机厂家 > 新闻动态 >
无油空气压缩机在制药行业中的工艺流程
时间:2021-02-22 15:00
来源:日韩不卡免费视频
作者:日韩不卡免费视频
点击:次
食品行业、制药行业都需要无油空气压缩机来压缩空气,其生产过程中对环境的洁净度等级要求很高。

图1 非无菌原料药精制、干燥、包装工艺流程框图及环境区域划分

图2 无菌原料药精制、干燥、包装工艺流程框图及环境区域划分

图3 片剂生产工艺流程框图及环境区域划分

图4 硬胶囊剂生产工艺流程框图及环境区域划分

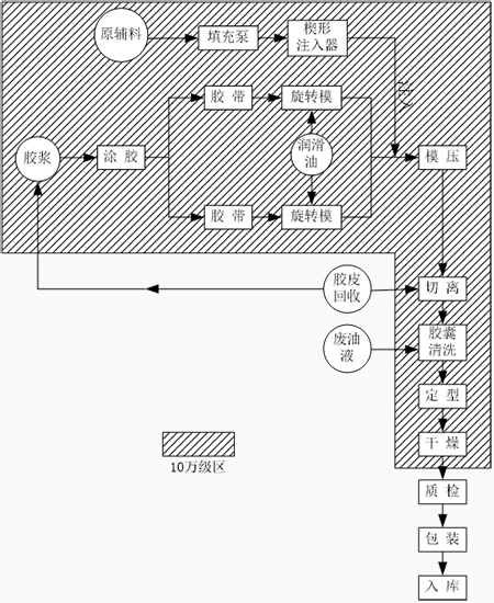
图5 压制法软胶囊剂生产工艺流程框图及环境区域划分

图6 可灭菌小容量注射剂生产工艺流程框图及环境区域划分

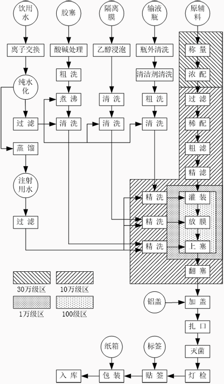
图7 可灭菌大容量注射剂生产工艺流程框图及环境区域划分

图8 注射用无菌分装产品生产工艺流程框图及环境区域划分

图8 注射用无菌分装产品生产工艺流程框图及环境区域划分
首页




沪公网安备 31011602002252号